Set releu cu 3 sonde nivel

Set releu cu 3 sonde nivel

Cod: rel3

Pret: 271 Lei

Disponibilitate: In stoc

Cantitate:

Descriere

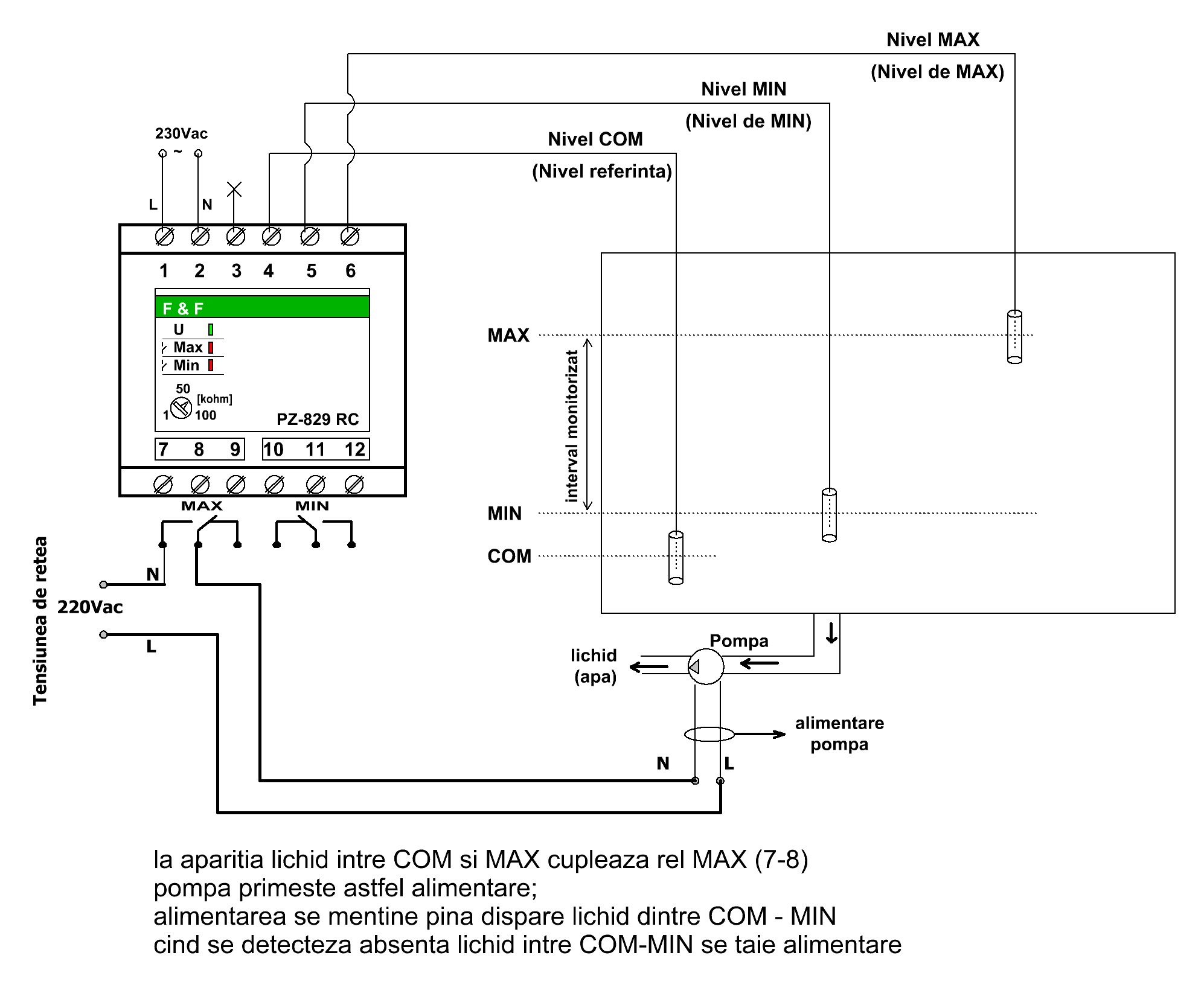
Releele de control nivel fluid sunt proiectate pentru a detecta prezenta lichidelor conductive ajunse la nivelul senzorului.
Permite controlul si mentinerea nivelului  in domeniul dintre un minim si un maxim specificate de utilizator.

Functionare

Dupa ce nivelul lichidului scade la MIN (de exemplu, electrozii MIN si COM deconectati), contactul Rmin este mutat in pozitia 11-12, in timp ce contactul RMAX ramane in pozitia 8-9. Pe de alta parte, atunci cand nivelul lichidului MAX este atins (electrozii MAX si COM scurtcircuitati), contactul releului Rmin va fi comutat in pozitia 11-10, in timp ce RMAX e in pozitia 8-7.

Modul de conectare a sondei.

Electrodul sondei este conectat prin intermediul unui cablu cu diametrul de pana la 1 mm si lungimea maxima de 100m. Iesirile 4-5-6 sunt separate galvanic.  

Date tehnice

Tensiune alimentare: 230V AC
Curent maxim de sarcina:  2x[<16A]
Contact: 2x1C/O
Sensibilitate -  PZ-829 RC (reglabila) 4,5x220kΩ
Indicator tensiune alimentare:LED verde
Intirziere comutare contact: 
            pentru nivel MIN 1 - 2sec
            pentru nivel MAX 1 - 2sec
Indicator mod lucru: 2 x LED rosu
Putere consumata:  1,1W
Conectare:  surub terminale 2,5mm²
Dimensiuni: 3 module (52,5mm)
Fixare: rail TH-35
  
Sonda lichid:  electrod din otel rezistent la acid , incasetat in plastic cu garnitura de etansare.

Dimensiunea sensor/lungime cablu :  Ø15, l=9,5cm
Tensiune senzor  <6V~
Curent senzor  <0,13mA

Istoric produse vizitate

Profita acum de reducerile INTTECH INDUSTRY